Tầng 8, Tòa nhà Sannam, số 78 Phố Duy Tân, P.Dịch Vọng Hậu, Q. Cầu Giấy, Tp. Hà Nội, Việt Nam

Tư vấn
Trực tiếp: 0904565626

M9300

Giá: Liên hệ

Nhãn hiệu: Johnson Controls

Danh mục: Valves & Actuators

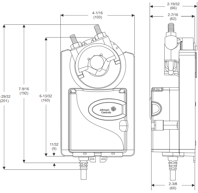
The M9300 Series Electric Non-Spring Return Actuators provide control of dampers in HVAC systems. Actuators in this series provide rated torques from 70 lb·in (8 N·m) to 310 lb·in (35 N·m).

Hàng mới | Hàng hot | Lượt xem: 2222

M9300 Series

Electric Non-Spring Return Actuators

The M9300 Series Electric Non-Spring Return
Actuators provide control of dampers in HVAC
systems. Actuators in this series provide rated torques
from 70 lb·in (8 N·m) to 310 lb·in (35 N·m).
The series consists of models for on/off and floating
control as well as models with Automatic Signal Input
Detection, which allows automatic recognition of input
signals for on/off, floating, and proportional control.
These actuators are configured for direct mounting and
do not require damper linkage. Actuators can be
mounted directly with a universal clamp to a round
damper shaft from 3/8 in. (10 mm) up to 1-1/16 in.
(27 mm), and to a square damper shaft from 3/8 in.
(10 mm) up to 3/4 in. (19 mm).
An accessory crankarm and remote mounting kit are
available for applications where the actuator cannot be
direct-coupled to the damper shaft. An optional line
voltage auxiliary switch kit can be field installed to
indicate an end-stop position or perform switching
functions within the selected rotation range. The
M9300 actuators also feature an optional
NEMA 4X/IP66 weather shield for applications in
harsh environments

Features & Benefits


Thương hiệu:Johnson Controls
Xuất xứ:USA
Màu sắc:Xám
Trọng lượng:0.9 kg
Model:M9310-AUA-3, M9310-HGA-3, M9320-AUA-1, M9320-HGA-1, M9335-AUA-1, M9335-HGA-1

Sản phẩm cùng danh mục